耐火砖都有哪些常见的尺寸
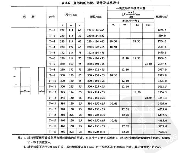
我们通常常见的耐火砖通用形状主要形状有直形砖、侧厚楔形砖、竖厚楔形砖、竖宽楔形砖及拱脚砖,通常以拼音首字母T代表通用砖砖号,短横线后为顺序号,通用砖的砖号从T-1,T-2,T-3,T-4,T-5...T-138等,不同的砖号代表着不同形状尺寸的耐火砖,规格表示方法:直形砖规格以b*a*c表示;楔形砖规格以b*(a大*a小)*c表示;拱脚砖规格以L*a*c表示,那么我们通常所能见到的耐火砖尺寸都有哪些呢。

在耐火砖中我们经常以T-3代表标准耐火砖的尺寸,也被称为标砖,它的尺寸一般是在230*114*65mm,其余的则根据标号的不同尺寸也存在的差异,我这里用图片的形式展现给大家。







我们在高温窑炉中除了以上常见到的耐火砖尺寸之外,还有一些枚片砖的尺寸也是众多的,这其中就包含二分片尺寸在230*115*20mm、三分片尺寸在230*115*30mm、四分片尺寸在230*115*40mm,除此之外还包含一些我们经常见到的厂的片砖,如平四枚砖尺寸在456*230*65mm、平五枚砖尺寸在570*230*65mm、平六枚砖尺寸在684*230*65mm、平七枚砖尺寸在798*230*65mm、平八枚砖尺寸在912*230*65mm,立八枚砖尺寸在390*230*114mm,立十枚砖尺寸在390*230*114mm,立十二枚砖尺寸在390*230*114mm等。另外,还有一些特殊形状的耐火砖,比如角砖和弯曲砖。角砖一般用于窑炉的转角处,尺寸为230*230*65mm,可有效保护窑炉的角落不受热损坏。而弯曲砖则用于窑炉的曲线部分,尺寸则根据曲线的形状而定,以确保耐火砖完美地贴合窑炉的曲线表面。

除了不同形状和尺寸的耐火砖外,还有不同类型的耐火砖可供选择,如高铝砖、硅砖、碳化硅砖等。这些不同类型的耐火砖在高温环境下具有不同的耐火性能和特点,可以根据实际需要选择合适的耐火砖材料。
总之,耐火砖在各种高温窑炉中起着非常重要的作用,它们能够承受高温热膨胀、化学腐蚀和机械冲击等各种恶劣环境,保护窑炉不受损坏。根据不同窑炉的要求,可以选择不同形状、尺寸和材料的耐火砖,以确保窑炉的正常运行和寿命。













